020-82303306
首頁
系統工程
設備展示
解決方案
產品知識
聯系我們
技術支持
骨料自動配料控制系統
粉體自動稱重配料控制系統
HLCB1C3/1.76t 1-HLCB1C3/1.76t-1稱重傳感器 HBM
HLCB1C3/1.1t 1-HLCB1C3/1.1t-1稱重傳感器 HBM
鋼鐵廠自動稱重配料控制系統
混凝土自動稱重配料系統
反應釜自動稱重配料系統
全自動骨料配料系統
C2/20T 1-C2/20T_C2稱重傳感器 HBM
HLCB1C3/220kg 1-HLCB1C3/220kg-1稱重傳感器 HBM
HLCB1C3/550kg 1-HLCB1C3/550kg-1稱重傳感器 HBM
產品分類一覽
系統工程:
自動配料系統
氣力輸送系統
自動配料系統
:
農藥瀝青印染助劑自動稱重配料系統
潤滑油粘合劑稱重配料系統
涂料油漆油墨自動稱重配料系統
食品飼料香精香料添加劑稱重配料系統
粉體顆粒自動稱重配料系統
液體配料稱重系統
鋼構料倉應變傳感器稱重模塊自動稱重配料系統
商混攪拌站自動稱重配料系統
電池隔膜原材料涂料自動稱重配料系統
鋰電池電解液自動稱重配料系統
鋰電池正負極材料自動稱重配料系統
油料涂料液體自動稱重配料系統
氣力輸送系統
:
正壓密相氣力輸送系統
正壓稀相氣力輸送系統
負壓稀相氣力輸送系統
負壓氣力輸送系統
負壓吸送式氣力輸送系統
脈沖式氣力輸送系統
濃相氣力輸送系統
濃相氣力輸送系統
正壓氣力輸送系統
負壓氣力輸送系統
密相氣力輸送系統
稀相氣力輸送系統
首頁
>
技術支持
>
解決方案
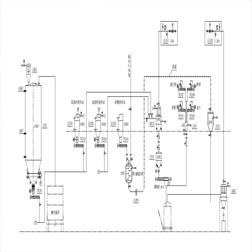
廣州食品廠6-1
廣州食品廠6-1
所屬類目:化工
廣州食品廠6
產品亮點:廣州食品廠6
廣州食品廠6
上一篇:
垃圾氣力輸送系統
下一篇:
涂料自動化生產線
自動配料系統
氣力輸送系統
設備展示
解決方案
產品知識
聯系我們
客戶案例
網站地圖
聯系電話:
020-82303306 下班及雙休日請撥打各品牌負責人電話:
聯系信息詳情
備案號: 粵ICP備11086172號